Выпущена в 1965 г.
Газоразрядные импульсные лампы являются источниками света большой силы и
малой длительности (тысячных и миллионных долей секунды).
Области применения
Фотография, скоростная киносъемка, медицинская техника, локаторы-дальномеры,
активные телевизионные системы, оптический телеграф,измерительная техника,
накачка лазеров и т. д.
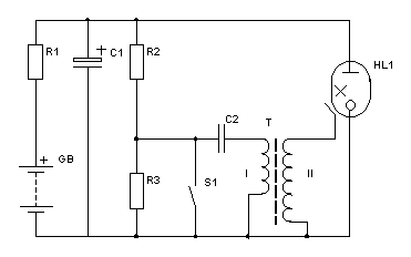
Типовая схема включения фотоосветительных ламп



